Logo Adler SAS, la technique au service du verre
Sketch

 

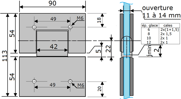
ITEM : 64954C