Logo Adler SAS, la technique au service du verre
Schéma

 

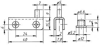
ARTICLE : 63907Q

tirettes à onglet, rondes, argent

 
tirettes à onglet, rondes, argent