Logo Adler SAS, la technique au service du verre
Zeichnung

 

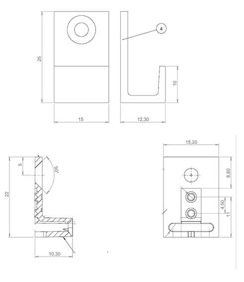
ARTIKEL : 50801U

Messinghalter, davon 2 « verklipst », verchromt, Öffnung 8 mm

 
Messinghalter, davon 2 « verklipst », verchromt, Öffnung 8 mm