Logo Adler SAS
Dessins d'encoches

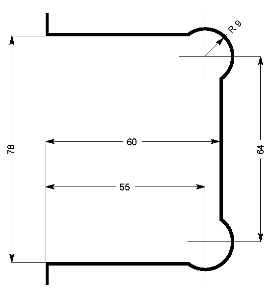
ARTICLE : 73139Z

poignée de milieu à béquille double, montage arrière, avec serrure, Gamme ELITE, or brossé

ATTENTION : Le dessin ci-dessous n'est pas à l'échelle.

Pour l'imprimer, avec Adobe® Reader®, cliquez ICI

Adobe acrobat reader

 

poignée de milieu à béquille double, montage arrière, avec serrure, Gamme ELITE, or brossé