Logo Adler SAS
Dessins d'encoches

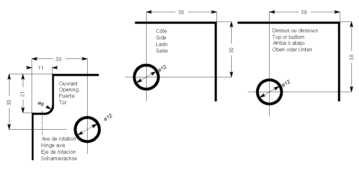
ARTICLE : 63517R

tirettes à onglet, rondes, argent

ATTENTION : Le dessin ci-dessous n'est pas à l'échelle.

Pour l'imprimer, avec Adobe® Reader®, cliquez ICI

Adobe acrobat reader

 

tirettes à onglet, rondes, argent